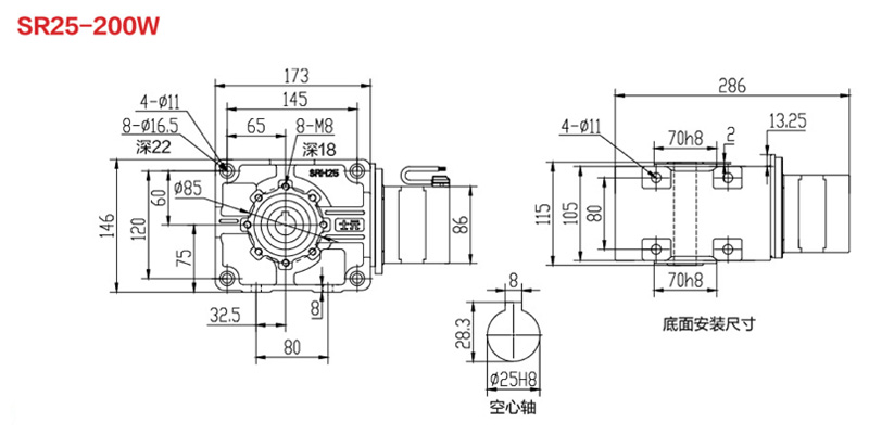
SR45-1500W
永磁SRH直角轴减速电机
语言
190-5756-1776
联系电话:19057561776
传真FAX:021-57272258
邮箱:ycgear115@163.com
地址: 上海市金山区朱泾镇工业园B区
额定功率:200W
额定电流:1.0A
额定转速:1500r/min
额定转矩:1.27 N.m
绝缘等级:F(155℃)
防护等级:IP54
工作制:S1
效率:84%
190-5756-1776
环境湿度:环境湿度不大于 95%RH,无结露
安装环境:不受阳光直晒,无油雾,无蒸汽,无滴水,无可燃、无腐蚀性的环境
海拔高度:1000m 以下使用,1000m 以上请降额使用,海拔每升高100m,降额1%
环境温度:建议使用环境温度在-10℃到 +40℃。40℃-50℃,每升高1℃,降额 4%
环境震动:请避免用于连续振动,和有过度冲击的场合,振动不大于 0.5g(4.9m/s2)/50
