GV立式三相高速比缩框型(刹车)减速马达

出 力 轴:18-50
功率范围:100W~4000W
速比范围:3~6000
安装形式:卧式/立式

GV立式三相高速比缩框型(刹车)减速马达
立即咨询

联系热线

190-5756-1776

产品介绍

性能特点

通过CCC、CE、 ISO9001认证,工厂拥有全套检测设备和试验设备,高精度设备保证产品加 工精度。减速机产品效率高达98%;承载能力大,全封闭不漏油、体积小质 量轻、无噪音寿命长!安装灵活。

选型参数

6.1.jpg

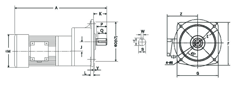
产品图纸

GV立式三相高速比缩框型(刹车)减速马达齿轮减速电机图纸

截屏,微信识别二维码

微信号:19057561776

(点击微信号复制,添加好友)