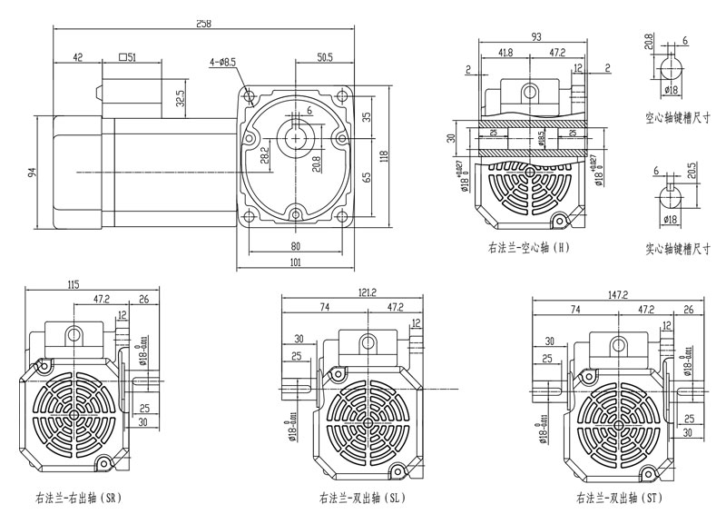
SGF35直角中空轴减速马达 三相
SGF系列直角轴减速电机
语言
190-5756-1776
联系电话:19057561776
传真FAX:021-57272258
邮箱:ycgear115@163.com
地址: 上海市金山区朱泾镇工业园B区
190-5756-1776
采用了准双曲面齿轮设计,性能上兼有蜗轮蜗杆齿轮的低噪音和伞齿轮的高效率特点;不受输出轴方向限制,同时提供直交轴减速电机空心轴系列产品,让用户选用、安装更加灵活方便。
