RV025蜗轮减速机
带法兰蜗轮蜗杆减速机
语言
190-5756-1776
联系电话:19057561776
传真FAX:021-57272258
邮箱:ycgear115@163.com
地址: 上海市金山区朱泾镇工业园B区
功率:0.06-0.25 Kw
速比:5-80
输出转数:11-560 r/min
输出扭矩:1.8-30 Nm
输出轴径向力:474-1504N
190-5756-1776
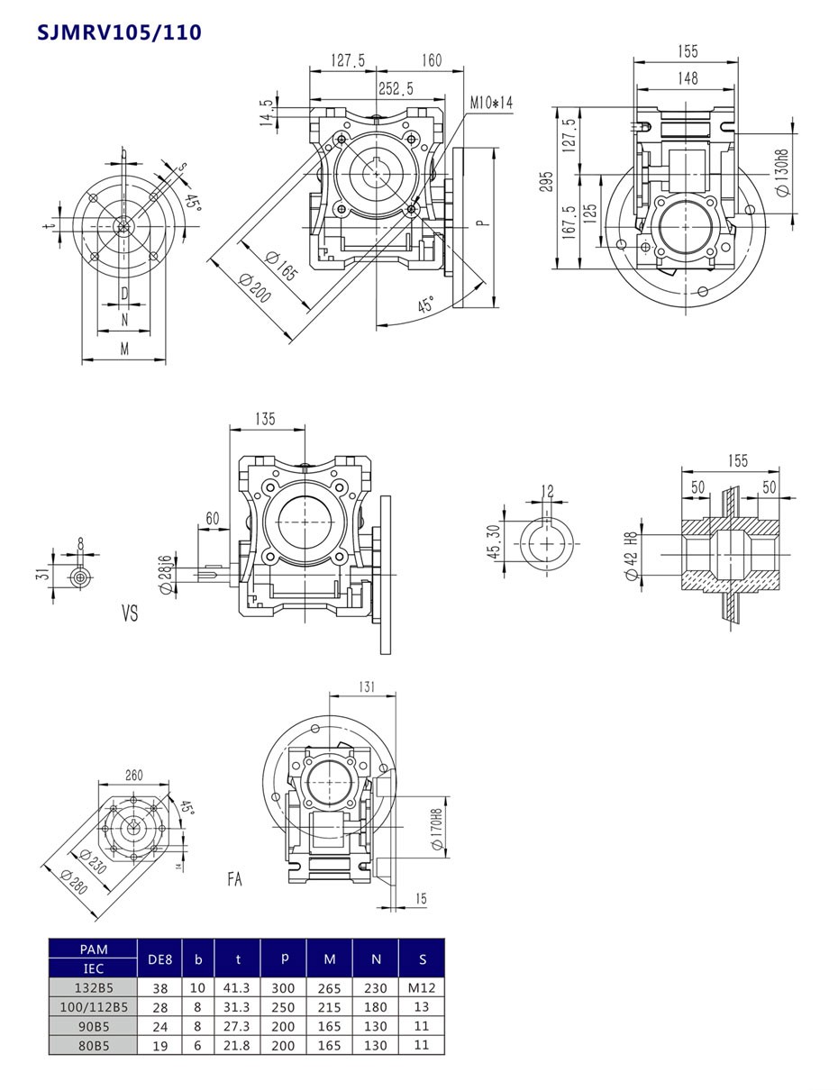
MRV系列:产品规格025-110,传动比单级7.5-100;双极300-5000;输入功率006-15KW,输出扭矩7-2680N.M。共22000余种不同的规格,传动比,联接合安装方式可供选用,满足用户各种需求。
● 安装简易、灵活轻捷、性能优越、易于维护检修
● 传动速比大、扭矩大、承受过载能力高
● 运行平稳、噪音小、经久耐用
● 适用性强、安全可靠性大
● 热交换性能好,散热快
● 机械结构紧凑、体积轻巧、小型高效
